BTL6 A1系列是外壳突出型结构的磁致伸缩位移传感器,为非接触式位置反馈元件,可有效替代易磨损的电位差计。
它采用压铸铝外壳,防护等级IP67,对污染、冲击、振动不敏感;通过无需供电的定位磁块实现无磨损测量,绝对量输出,支持电压、Varan和START-STOP信号,测量范围50~4012mm;安装简便,信号可直接处理、兼容各类系统或独立操作,适配多元工业场景。
| 接口 | |
| 输出信号 | 模拟电压、Varan、START-STOP |
| 机械参数 | |
| 总长 | 量程+ 146 mm |
| 可探测的最大速度 | 10 m/s |
| 材质 | |
| 外壳材料 | 铝, 阳极氧化 |
| 盖子材料 | 锌, 压铸 |
| 环境条件 | |
| EN 55016-2-3, 辐射 | 工业区和住宅区 |
| EN 60068-2-27, 冲击 | 100 g, 6 ms |
| EN 60068-2-27, 持续冲击 | 50 g, 2 ms |
| EN 60068-2-6, 振动 | 12 g, 10~2000 Hz |
| EN 61000-4-2, ESD | 严重级别3 |
| ESD EN 61000-4-3, RFI | 严重级别3 |
| EN 61000-4-4, 爆裂 | 严重级别3 |
| EN 61000-4-5, 浪涌 | 严重级别2 |
| EN 61000-4-6, 高频场 | 严重级别3 |
| EN 61000-4-8, 磁场 | 严重级别4 |
| 存储温度 | -40…105 °C |
| 温度系数, 典型 | ≤ 20 ppm/K 在额定长度500 mm的50 %时 |
| 环境温度 | 0..70 °C |
| 相对空气湿度 | ≤ 90 %, 不凝结 |
| 防护等级 | IP67带插接器 |
| 电气参数 | |
| 在24 V直流时的最大耗电量 | 70 mA~90 mA |
| 工作电压Ub | 10~30 VDC |
| 接通峰值电流 | ≤4A/0.5 ms |
| 接通延迟, 最大 | 5s |
| 耐电压至 (GND – 外壳) | 500 V DC |
| 过压保护 | Ub up to 36 V DC |
| 电气连接 | |
| 反极性保护 | Ub最高30 V DC |
| 短路保护 | 针对接地和 30 V 直流电压的信号输出 |
| 范围 / 距离 | |
| 分辨率, 位置 | k = A, 1: 183 μV at least 4 μm k = E, 5: 351 nA at least 4 μm |
| 最大测量频率 | 量程 = 0050~0600:2000 Hz 量程 = 0601~1200:1000 Hz 量程 = 1201~2600:500 Hz 量程 = 2601~4012:250 H |
| 测量长度线性偏差 | 50~4012 mm |
| 线性偏差 | 量程 = 0050…0500: ± 200 µm/60µm; 量程> 0500: ± 0.04% FS/± 0.012% FS |
| 重复精度 | 量程 ≤ 0500: ≤ ± 200 µm 量程 > 0500: ≤ ± 0.004% FS |
| 零点 | 67 mm |
| 通用性参数 | |
| 位置指示器,数量 (出厂设置) | 1 |
| 位置指示器,最大数量 | 最大4,位置指示器之间的最小间距65 mm |
| 许可/一致性 | CE,UKCA,cULus,WEEE |

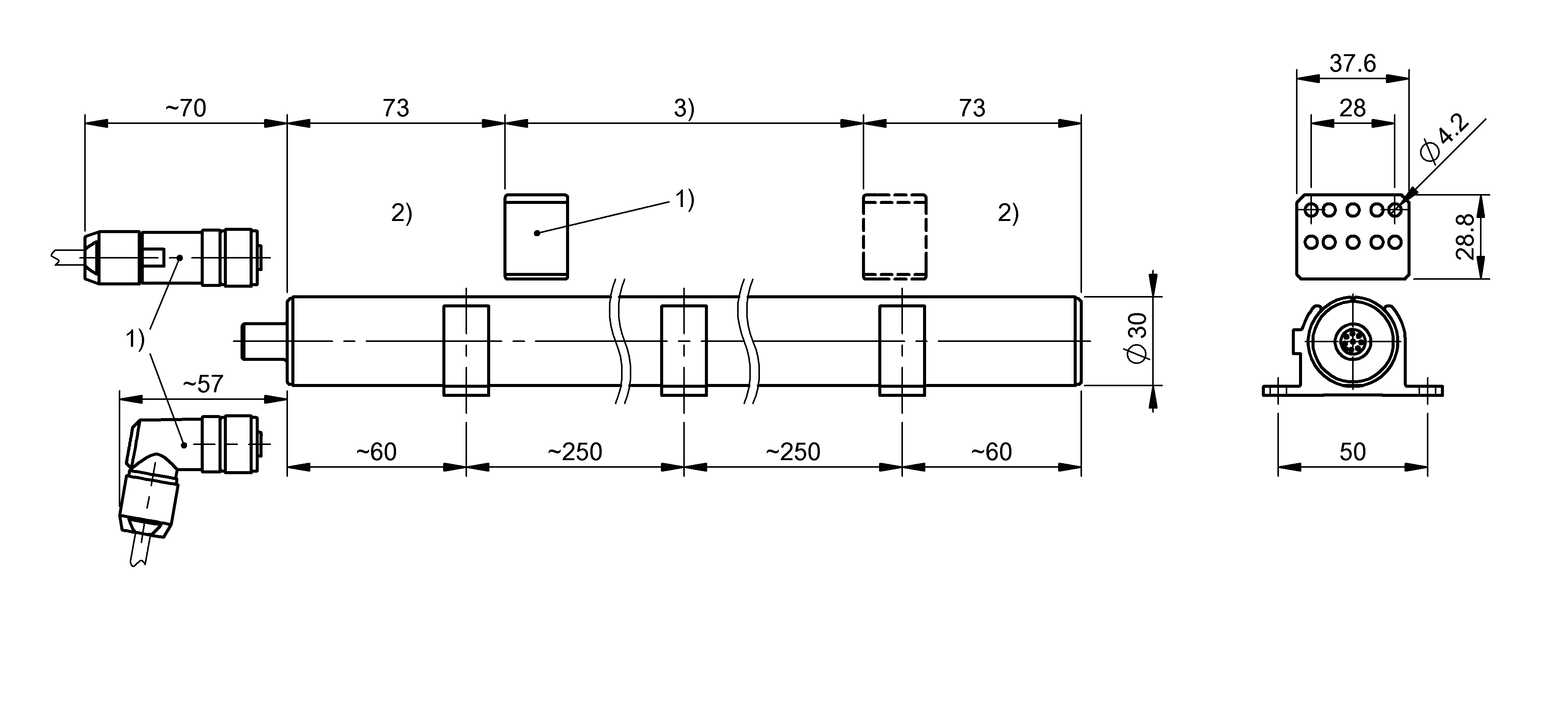
1) 不包含在供货范围内
2) 不能使用的区域
3) 额定长度 = 测量长度
4) 零点
5) 结构长度
